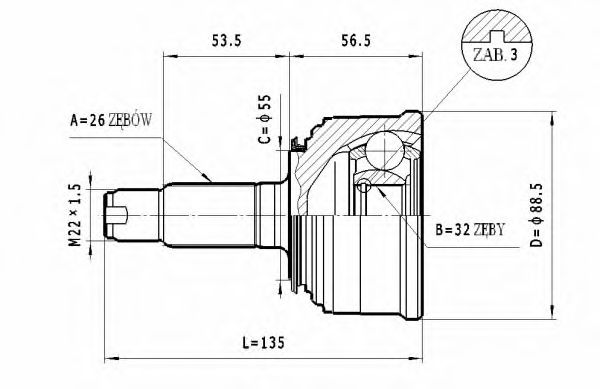
Аналог - QUINTON HAZELL QVJ552
-
-
METELLI
- Бренд: METELLI
- Внешнее зацепление со стороны колеса: 26
- Внутренне зубчатое соединение со стороны колеса: 32
- Материал: Резина
-
OPTIMAL
- Бренд: OPTIMAL
- Внешнее зацепление со стороны колеса: 26
- Внутренне зубчатое соединение со стороны колеса: 32
- Спецификация: Groove Type : Middle
- Длина [мм]: 135
-
SERA
- Бренд: SERA
- Внешнее зацепление со стороны колеса: 26
- Внутренне зубчатое соединение со стороны колеса: 32
- Наружный диаметр [мм]: 86
-
SERCORE
- Бренд: SERCORE
- Сторона установки: Со стороны колеса
- Внешнее зацепление со стороны колеса: 26
- Внутренне зубчатое соединение со стороны колеса: 32
- Диаметр прокладки [мм]: 55
-
SNRA
- Бренд: SNRA
- Внешнее зацепление со стороны колеса: 26
- Внутренне зубчатое соединение со стороны колеса: 32
- Наружный диаметр [мм]: 86
-
-
MAPCO
- Бренд: MAPCO
- Сторона установки: Передний мост / Со стороны колеса
- Тип соединения / сочленения: Шарнир равных угловых скоростей
- Внешнее зацепление со стороны колеса: 26
- Внутренне зубчатое соединение со стороны колеса: 32
- Диаметр прокладки [мм]: 55
- Наружный диаметр [мм]: 87
-
MAXGEAR
- Бренд: MAXGEAR
- Внешнее зацепление со стороны колеса: 26
- Внутренне зубчатое соединение со стороны колеса: 32
-
MDR
- Бренд: MDR
- Вес [кг]: 2,11
- Длина упаковки [см]: 12
- Ширина упаковки [см]: 17
- Высота упаковки [см]: 11
- Общая длина [мм]: 134,5
- Длина 1 [мм]: 80
- Диаметр прокладки [мм]: 55
- Внутренне зубчатое соединение со стороны колеса: 30
- Внешнее зацепление со стороны колеса: 26
- Наружная резьба [мм]: 22 x 1,5
- Число зубцов кольца ABS: 50
-
ODM-MULTIPARTS
- Бренд: ODM-MULTIPARTS
- Внешнее зацепление со стороны колеса: 26
- Диаметр прокладки [мм]: 55
- Внутренне зубчатое соединение со стороны колеса: 32
- механически обработанный: С нарезкой / выемкой во внутренней части
-
OPEN PARTS
- Бренд: OPEN PARTS
- Сторона установки: Со стороны колеса
- Внешнее зацепление со стороны колеса: 26
- Внутренне зубчатое соединение со стороны колеса: 32
- Диаметр прокладки [мм]: 55
- Наружный диаметр [мм]: 86,7
-
PROTECHNIC
- Бренд: PROTECHNIC
- Внешнее зацепление со стороны колеса: 26
- Внутренне зубчатое соединение со стороны колеса: 32
- Диаметр прокладки [мм]: 55
- Длина [мм]: 135
- Спецификация: Groove Type : Middle
-
SKF
- Бренд: SKF
- Размер резьбы: M22x1.5
- Внешнее зацепление со стороны колеса: 26
- Внутренне зубчатое соединение со стороны колеса: 32
- Диаметр прокладки [мм]: 55
- Наружный диаметр [мм]: 87
- Тип соединения / сочленения: Шарнир равных угловых скоростей
- механически обработанный: С пазом во внутренней детали (в середине)
- Защита от пыли: С защитой от пыли
-
STATIM
- Бренд: STATIM
- Тип соединения / сочленения: Шарнир равных угловых скоростей
- Внешнее зацепление со стороны колеса: 26
- Внутренне зубчатое соединение со стороны колеса: 32
- Диаметр прокладки [мм]: 55
- Наружный диаметр [мм]: 88,5
-
STELLOX
- Бренд: STELLOX
- Сторона установки: Со стороны колеса
- Тип соединения / сочленения: Шарнир равных угловых скоростей
- Внешнее зацепление со стороны колеса: 26
- Внутренне зубчатое соединение со стороны колеса: 32
- Диаметр прокладки [мм]: 55
-
TRISCAN
- Бренд: TRISCAN
- Диаметр [мм]: 87
- Внешнее зацепление со стороны колеса: 26
- Внутренне зубчатое соединение со стороны колеса: 32
- Диаметр прокладки [мм]: 55
-
PASCAL
- Бренд: PASCAL
- Внешнее зацепление со стороны колеса: 26
- Внутренне зубчатое соединение со стороны колеса: 32
- Диаметр прокладки [мм]: 55
- Спецификация: Middle
- Наружный диаметр [мм]: 89
-
LYNXautoЗамененный: CO-3456
- Бренд: LYNXauto
- Сторона установки: Со стороны колеса
- Внешнее зацепление со стороны колеса: 26
- Внутренне зубчатое соединение со стороны колеса: 32
- Диаметр прокладки [мм]: 55
- Длина [мм]: 135
- Длина 1 [мм]: 78,5
- Длина 2 [мм]: 56,5
- Спецификация: Middle Groove
