Поиск по номеру запчасти: 03782
-
ALBRECHTАналог
- Бренд: ALBRECHT
- Ø фаски 2: 17 мм
- Высота: 29 мм
- Диаметр: 67 мм
- Спецификация: 67x29x17
-
AUTOKIT
- Бренд: AUTOKIT
- Ширина (мм): 29
- Диаметр: 66,4 мм
-
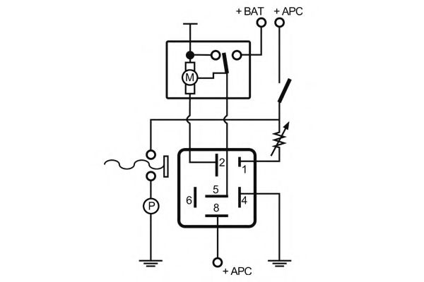
NAGARESТорговый
- Бренд: NAGARES
- Без кронштейна: .
- Номинальное напряжение: 12 V
-
