Поиск по номеру запчасти: 18618
-
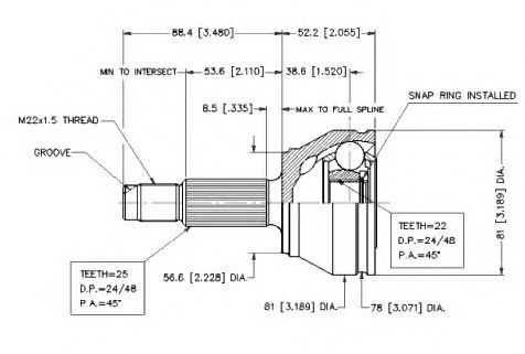
MALÒ
- Бренд: MALÒ
- Сторона установки: со стороны коробки передач
- Наружный диаметр: 85 мм
- Внутренний диаметр: 22,7
- Длина: 80 мм
-
DINEX
- Бренд: DINEX
- Сторона установки: сзади
- Выпускн.-Ø: 101,6 мм
- Впускн. Ø: 102 мм
- Толщина: 2 мм
-
LEMFÖRDERЗамененный: 40800G Аналог
- Бренд: LEMFÖRDER
- Ширина (мм): 18,8
- Число зубцов: 89
- Привод, зубчатая передача: Trapezoidale
- Приводимый в действие агрегат: Привод. в действ. агрегат: приводной агрегат: распр. вал
-
SIGAM
- Бренд: SIGAM
- Сторона установки: сзади
- Вес: 4,150 кг
- Система выпуска ОГ: для конечного глушителя выхлопных газов
-
FEBI BILSTEIN
- Бренд: FEBI BILSTEIN
- Необходимое количество: 1
- Профиль головки болта: внешний Torx
-
-
-
-
-
WALKER PRODUCTSАналог
- Бренд: WALKER PRODUCTS
