Поиск по номеру запчасти: 18661
-
CIAАналог
- Бренд: CIA
- Сторона установки: спереди
- Диаметр: 0 мм
- Вариант оснащения: 00000000000000000853
- Вес: 2,9 кг
- Длина: 660 мм
- Система выпуска ОГ: для среднего глушителя выхлопных газов
-
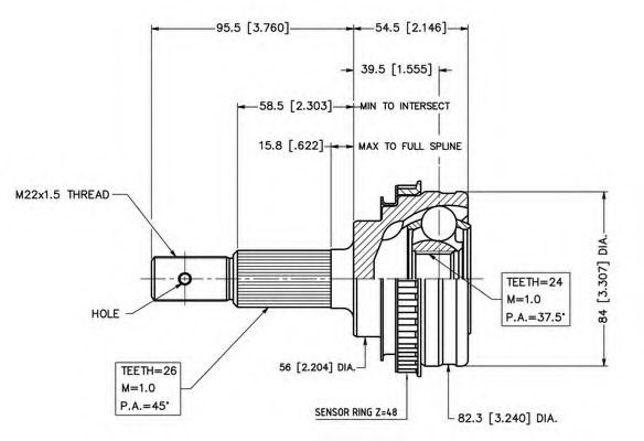
DEPAТорговый
- Бренд: DEPA
- Сторона установки: передний мост слева
- Внешнее зацепление со стороны дифференц.: 22
- Длина: 620 мм
- Динамика тормоза / движения: не для ABS
-
FEBI BILSTEIN
- Бренд: FEBI BILSTEIN
- Наружный диаметр: 33 мм
- Количество пазов/ отверстий: 3
- Необходимое количество: 4
-
LEMFÖRDERАналог
- Бренд: LEMFÖRDER
- Вес: 0,15 кг
- Ширина (мм): 23
- Число зубцов: 148
-
-
-
-
-
-
DPHАналог
- Бренд: DPH
- Сторона установки: задний мост
- Наружный диаметр: 100 мм
- Толщина: 10 мм
- Внутренний диаметр: 75
- Материал: NBR (бутадиен-нитрильный каучук)
- Форма: Уплотнительное кольцо круглого сечения
-
ATI
- Бренд: ATI
- Сторона установки: передний мост слева
- Внешнее зацепление со стороны дифференц.: 22
- Внешнее зацепление со стороны колеса: 25
- Длина: 620 мм
