Поиск по номеру запчасти: 93659
-
4SEASONSАналог
- Бренд: 4SEASONS
- Ширина (мм): 157
- Длина: 248 мм
- Высота: 248 мм
- Размеры радиатора: 248x157x42
- Толщина: 42 мм
- Глубина: 42 мм
- Материал: алюминий
-
ABEX
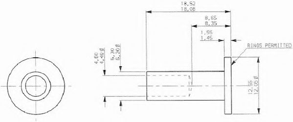
- Бренд: ABEX
- Длина: 15,32 мм
- Диаметр 1: 4,77 мм
- Тип заклепок: J 9,5
- Материал: сталь
-
BERAL
- Бренд: BERAL
- Длина: 15,32 мм
- Диаметр 1: 4,77 мм
- Тип заклепок: J 9,5
- Материал: сталь
-
